بلاگ
گلاب ولو کستل
مقدمه
گلاب ولو (Globe Valve) یکی از انواع شیرهای کنترلی/سرویس در سیستمهای برودتی و تهویه است که بهخاطر قابلیت کنترل جریان و امکان بستن کامل مسیر، در محلهایی مثل ورودی/خروجی کندانسینگ یونیت، خطوط سرویس و مسیرهای سرویس شارژ مبرد کاربرد گسترده دارد. برند Castel (ایتالیا) تولیدکننده شناختهشدهای در حوزه قطعات سرمایشی و تهویه است که سریهای مختلفی از شیرهای گلوب (از جمله انواع با اتصالات صاف و زاویهای) برای کاربردهای تجاری و صنعتی عرضه میکند.
ساختار و طراحی گلاب ولو کستل
گلاب ولو کستل در ظاهر شبیه به یک بدنه مرکزی با یک میله (اسپیندل) و دیسک/گلوب داخلی هستند که با چرخاندن میل، دیسک به سمت نشیمنگاه مینشیند یا از آن دور میشود. طراحی Castel برای کاربرد در سیستمهای برودتی نقاط زیر را در بر میگیرد:
انواع اتصالات
-
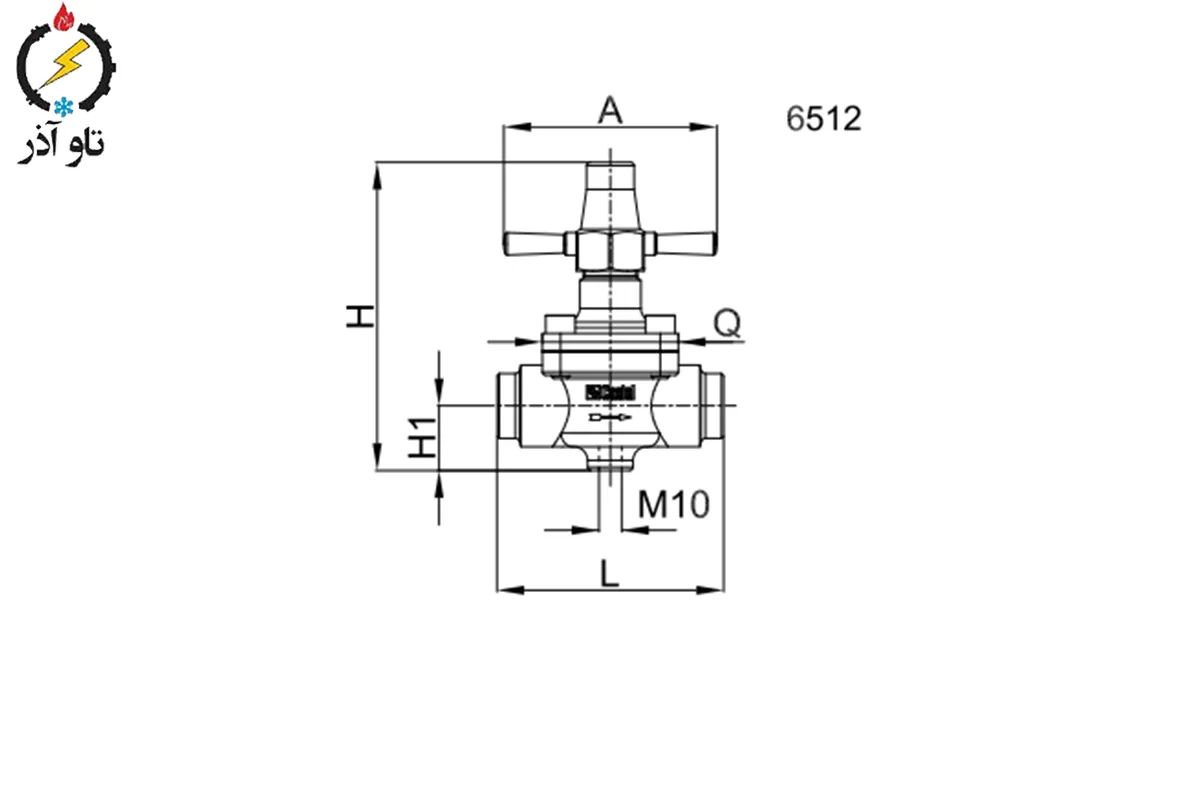
اتصالات مستقیم (Straight / Solder) — سریهایی مانند 6512 با اتصالات صاف/سولدر (solder) طراحی شدهاند که در لولهکشیهایی با اتصالات لحیمی کاربرد دارند.
-
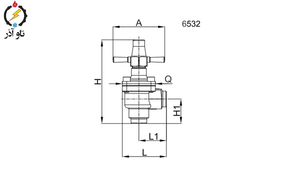
اتصالات زاویهای (Right-angle) — سریهایی مانند 6532 برای نصبهای زاویهای و فضاهای محدود مناسب هستند.
مواد سازنده و کیفیت ساخت گلاب ولو کستل
بدنه، کَپ و قطعات اصلی گلاب ولوهای Castel معمولاً از برنج فورجشده (Hot forged brass EN 12420 – CW 617N) ساخته میشوند؛ اسپیندل از فولاد با پوشش مناسب و پکینگها از مواد لاستیکی و الیاف مقاوم (مانند کلروپرن و آرامید) است که تحمل فشار و دما در سیستمهای برودتی را فراهم میکند. این انتخاب مواد باعث دوام، مقاومت در برابر خوردگی و قابلیت کار با مبردهای رایج میشود.
نشیمنگاه و آببندی
نشیمنگاه و دیسک درگلاب ولوهای Castel به گونهای طراحی شدهاند که آببندی مناسب در هنگام بستن کامل ایجاد شود و نشتی حداقلی داشته باشد؛ در نتیجه برای کاربردهای سرویس و بستن خط در زمان تعمیر یا شارژ مبرد مناسباند.l

مدلها و رنجهای مرسوم گلاب ولو کستل
Castel در کاتالوگ خود انواع گلاب ولو را با شمارهسریهایی مثل 6512 (اتصالات صاف، سایزهای مختلف از جمله 7/8، 1-1/8، 1-3/8 و…) و 6532 (زاویهای) معرفی کرده است. این سریها برای سیستمهای برودتی تجاری تا نیمهصنعتی طراحی شدهاند و در اتصالات سرویس یونیتهای کندانسینگ یا لولهکشی بین واحدهای خارجی و اواپراتورها کاربرد زیادی دارند.
سایزها و فشار کاری
سایزهای رایج شامل اتصالاتی در بازههای 7/8 تا 2-1/8 اینچ (بسته به مدل) هستند. فشار کاری و سازگاری با انواع مبرد معمولاً در دیتاشیت ذکر میشود و برای انتخاب باید براساس فشار طراحی و کاربرد عملی انتخاب صورت گیرد.
موارد کاربرد گلاب ولو کستل
-
قطع و وصل مسیر مبرد در کندانسینگ یونیتها و اواپراتورها
-
شیر سرویس برای وکیوم، شارژ و تست فشار
-
نصب در مسیرهای برگشت یا رفت در سیستمهای تبرید تجاری و صنعتی

سازگاری با مبردها — کدام مبردها را میتوان استفاده کرد؟
گلاب ولوهای Castel معمولاً برای استفاده در سیستمهایی با مبردهای HFC/HFO/HCFC طراحی شدهاند و در کاتالوگها بهصورت عمومی برای مبردهایی مانند R134a، R404A، R407C، R410A، R507 و همچنین مبردهای جدیدتر HFO ذکر شدهاند؛ این سازگاری به دلیل انتخاب مواد و پکینگهای مناسب در طراحی شیر است. قبل از نصب همیشه باید دیتاشیت مدل مورد نظر را بررسی کرد تا از سازگاری مادههای آببندی و حد دمایی/فشاری مطمئن شوید.

نکات انتخاب گلاب ولو کستل برای پروژه شما
انتخاب درست شیر گلوب باعث کارایی بهتر، سهولت در سرویس و کاهش ریسک نشتی میشود. نکات کلیدی در انتخاب:
تعیین سایز و نوع اتصال
سایز شیر باید براساس قطر لوله و الزامات افت فشار انتخاب شود. اگر فضای نصب محدود است، نسخه زاویهای (right-angle) مناسبتر است؛ در غیر این صورت نسخه مستقیم راحتتر نصب میشود.
بررسی فشار و دما
بر اساس فشار طراحی سیستم (حداکثر فشار کاری) و دماهای عملیاتی (حداقل/حداکثر)، مطمئن شوید شیر انتخابی تحمل شرایط را دارد؛ معمولاً دیتاشیت صنعت مقدار حداکثر فشار را مشخص میکند.
سازگاری با مبرد و مواد آببندی
اگر از مبردهای جدید یا طبیعی (مثل HC یا ترکیبات HFO) استفاده میکنید، مطمئن شوید پکینگها و مواد داخلی شیر برای آن مبرد مناسب هستند تا نشتی یا تجزیه مواد رخ ندهد.
دسترسی برای سرویس و تعمیرات
شیرهایی که در مسیرهای سرویس قرار دارند باید در جای قابل دسترس نصب شوند تا در زمان تعمیر یا وکیومگیری نیاز به باز شدن بخشهای دیگر سیستم نباشد.

نصب و نکات اجرایی گلاب ولو کستل
نصب گلاب ولو Castel نیاز به دقت دارد تا عملکرد و آببندی مناسب تضمین شود.
آمادهسازی لولهکشی
-
تمیز بودن داخل لولهها (بدون تراشه یا براده) برای جلوگیری از خرابی نشیمنگاه اهمیت دارد.
-
در صورت استفاده از اتصالات لحیمی (solder / brazing)، مطمئن شوید گرما به مهره یا بخش آببندی منتقل نشود—در برخی مدلها کَپ پلاستیکی یا محافظ برای پوشش اسپیندل وجود دارد که باید قبل از لحیمکاری برداشته یا محافظت شود.
جهت نصب و جهت جریان
برخی شیرها جهتپذیر نیستند ولی در دیتاشیتها جهت صحیح اتصال ذکر میشود؛ حتماً طبق نقشه نصب و علامتهای روی بدنه شیر عمل کنید.
تست فشار و وکیوم
پس از نصب، باید سیستم را تحت تست فشار قرار دهید و سپس عملیات وکیوم و شارژ مبرد را مطابق استاندارد انجام دهید. شیرهای سرویس برای تست و اتصال گیجهای فشار باید دسترسی مناسبی داشته باشند.

نگهداری، سرویس و عیوب رایج گلاب ولو کستل
گلاب ولوها عموماً قطعات ساده و بادوامی دارند، اما سرویس منظم عمر مفید آنها را افزایش میدهد.
چکلیست نگهداری دورهای
-
بررسی بصری برای خوردگی یا آسیب بیرونی
-
تست آببندی (برای تشخیص نشتی) با استفاده از آب صابون یا تست فشار
-
باز و بسته کردن گاهبهگاه برای جلوگیری از گیر کردن اسپیندل در شیرهایی که مدت طولانی بسته میمانند
عیوب متداول و راهحل
-
نشتی در ناحیه اسپیندل: ممکن است نیاز به تعویض پکینگ یا آببندی باشد.
-
گرفتگی نشیمنگاه: وجود آلاینده یا ذرات در مسیر میتواند باعث عدم آببندی کامل شود — فلش کردن سیستم یا نصب فیلترهای مناسب کمککننده است.
-
گیر کردن شیر: در اثر خوردگی یا تجمع آلودگی؛ در سرویسهای دورهای باید اسپیندل بررسی و در صورت نیاز پاکسازی شود.

چرا گلاب ولو کستل — مزایا و نقاط قوت
-
پوشش مدلها و سایزهای متنوع (سریهای 6512، 6532 و…) که امکان تطبیق با نیازهای متفاوت را میدهد.
-
کیفیت مواد و ساخت (برنج فورجشده، پکینگهای مقاوم) که دوام در شرایط برودتی را افزایش میدهد.
-
سازگاری با مبردهای متنوع صنعتی و تجاری که برای پروژههایی با انتخاب مبردهای HFC/HFO مناسب است.

نکات خرید — چگونه از فروشنده مطمئن شویم؟
۱. درخواست دیتاشیت رسمی از فروشنده یا نماینده (فرم فنی که سایزها، ماکسیمم فشار، مواد و محدوده دما را نشان دهد).
۲. بررسی اصل بودن کالا و بستهبندی (برچسب Castel، شماره سریال یا کد قطعه).
۳. پرسش درباره قطعات یدکی و خدمات پس از فروش؛ برخی مدلها قطعاتی مثل کَپ و پکینگ با کدهای مشخص دارند که در کاتالوگها فهرست شده است.

سوالات متداول (FAQ)
تفاوت گلوب ولو و بال ولو چیست؟
گلوب ولو برای کنترل جریان و بستن در حالت سرویس کاربرد دارد و بهخاطر ساختار نشیمنگاه و دیسک امکان تنظیم جریان و آببندی دقیقتر را فراهم میکند؛ بال ولو (ball valve) برای قطع و وصل سریع با افت فشار پایین مناسبتر است. برای سرویس کردن خطوط مبرد و کنترلهای دقیق، اغلب گلوب ولو ترجیح داده میشود.
آیا میتوان گلاب ولو کستل را در سیستمهای آمونیاکی (NH3) استفاده کرد؟
برخی مدلهای Castel برای مبردهای خاص طراحی شدهاند، اما استفاده در سیستمهای آمونیاکی نیاز به بررسی دقیق دیتاشیت و مواد سازنده دارد؛ برای مبردهای خورنده یا با خواص ویژه حتماً با تولیدکننده یا نماینده مشورت کنید.
عمر مفید گلاب ولو چقدر است؟
بستگی به شرایط کاری، نگهداری و کیفیت نصب دارد؛ با نصب و سرویس منظم، این شیرها میتوانند سالها (دههای) کار کنند. با این حال در محیطهای خورنده یا در صورت استفاده نامناسب ممکن است عمر کوتاهتر شود.

معرفی کوتاه شرکت تاو آذر سهند (برای بخش «درباره ما» یا صفحهٔ محصول)
تاو آذر سهند با بیش از ۱۸ سال سابقه در تأمین، نصب و پشتیبانی تجهیزات تهویه مطبوع و برودتی، عرضهکنندهی انواع قطعات شامل گلاب ولو Castel، شیرهای سرویس، کندانسینگ یونیت و هواسازها است. تیم فنی شرکت قادر به مشاوره در انتخاب مناسبترین مدلها، اجرای نصب مطابق استاندارد و ارائه خدمات پس از فروش و تأمین قطعات یدکی است. هدف تاو آذر سهند ارائه راهکارهای با دوام، کارآمد و اقتصادی برای پروژههای تجاری و صنعتی میباشد.
نتیجهگیری و پیشنهادات عملی
گلاب ولوهای Castel انتخاب مناسبی برای سیستمهای برودتی تجاری و صنعتی هستند؛ بهخصوص اگر بهدنبال شیرهایی با دوام، انواع اتصال و پشتیبانی فنی هستید. برای خرید و نصب اصولی:
-
دیتاشیت مدل موردنظر را از نماینده رسمی دریافت و روی مقادیر فشار و سازگاری مبرد کنترل کنید.
-
سایز و نوع اتصال را مطابق پروژه (فضای نصب، مسیر لولهکشی) انتخاب کنید.
-
برنامه نگهداری دورهای برای بررسی نشتیها، تمیزکاری و تستهای فشار داشته باشید.
-
از فروشندهای با گارانتی و پشتیبانی قطعات یدکی خرید کنید تا در صورت نیاز به تعمیر یا تعویض قطعات مسئلهای پیش نیاید.


